欢迎来到绵阳科讯达电子科技有限公司!

中文

热线:18666989100/13550717680

产品中心

PRODUCT CENTER

当前位置:首页 - 产品中心 - RJ45连结器
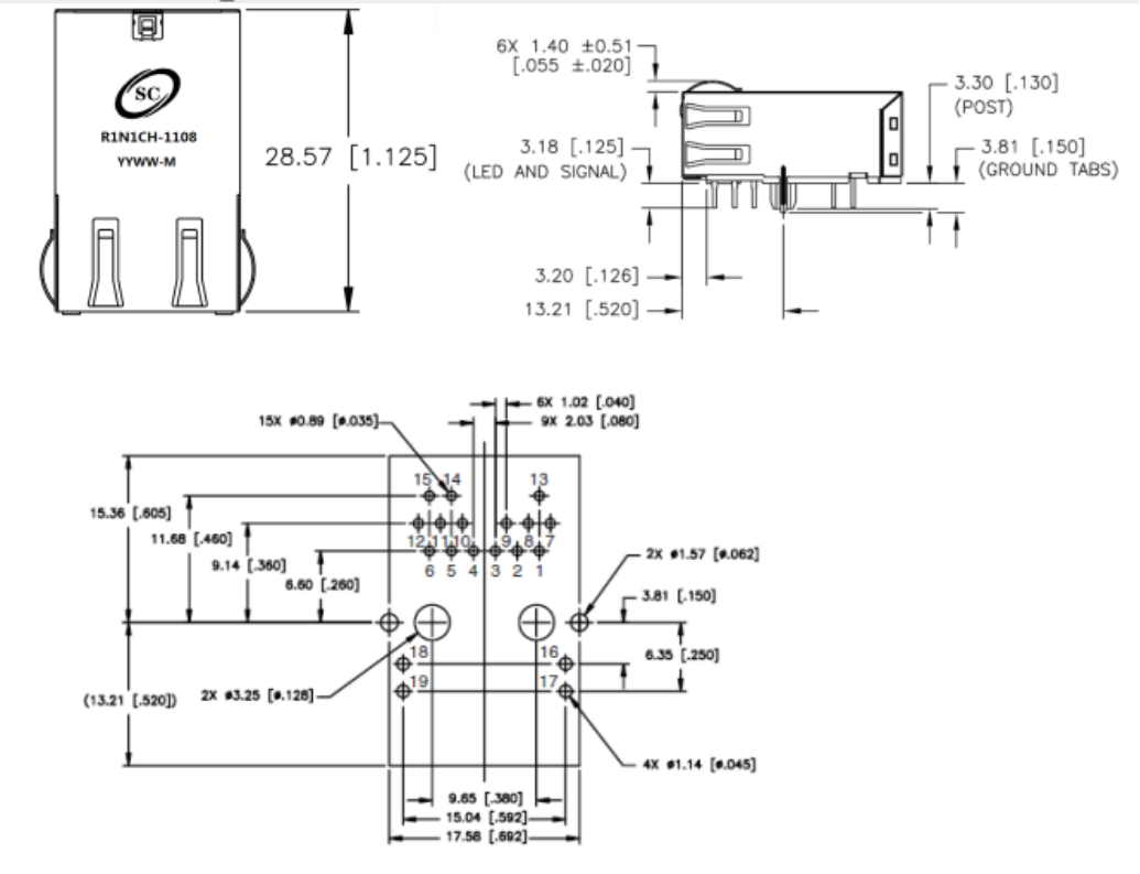
R1N1CH-1108
发布时间:2021-06-11 13:50:11 | 浏览次数:

R1N1CH-1108.pdf

CONN,RJ45,1X1,10G,1:1,TD NPB

                          

R1N1AH-0008_图片.png


                                   

R1N1CH-1108_机械.png


                                         

R1N1CH-1108_原理.png


 
 


 下一篇:R1N1BH-0004

热线:18666989100/13550717680

扫一扫
关注公众号